GIT-41AH

the screens of heavy-duty type
Application for ordering equipment

Description

GIT-41AH designed for separate the cold material.

 

Specifications

 

Parameters GIT-41AH
Feeling lump size, mm, not more 200
Bulk density, t/m3, not more 2,8
Feedstock, t/h 230
Screening surface type

Upper - grate with slot sizes, mm: 6; 8; 10; 12

Lower - wire sieve with meshes sizes, mm: on the technical task

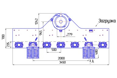
Dimensions of screening surface, mm 3450x1500
Active area of one sieve, m2

5,1

Number of screening surface 1
Screening angle, grad. 15-30
Engine installed power, kW 15
Frame vibration amplitude, min-1 3-8
Frame vibration frequency, min-1 730
Overall dimensions of screen vibrating part, mm, not more 3450x2140x1242
Weight, kg, without engine, cover 2200
Back