GIT-32M

the screens of heavy-duty type
Application for ordering equipment

Description

Heavy-duty throw screens are designed for dry screening of ferrous and non-ferrous metals ores and other bulk materials into two or three classes as per lump size.

Specifications

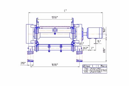
 Parameters GIT-32M
1. Feeding fractions size, mm, not more than  300 
2. Capacity, t/h  440 
3. Screening surface type:    
Upper furnace grate with slot size, mm  20; 30; 40 
Lower woven wire with cells sizes, mm  12x12; 20x20; 25x25 
4. Dimensions of the screening surface, mm  1250 х 3000 
5. Useful screening surface area of one deck, m  3,8 
6. Quantity of decks of screening surface, items 
7. Angle of slope of screening surface, degrees  15…30 
8. Vibrator power, kW  11 
9. Amplitude of screening surface fluctuations, mm, within  3 - 6 
10. Frequency of screening surface fluctuations, min.-1 (rpm)  730; 970 
11. Overall dimensions of vibrating part of screen, mm, not more than  2990x2665x1580 
12. Weight, kg, without drive and cover  2800 
13. Weight with spare parts and accessories, kg  3100 
14. Weight of cover, kg  1680 
15. Correct level of sound power, dB  110 

Heavy-duty throw screens are designed for dry screening of ferrous and non-ferrous metals ores and other bulk materials into two or three classes as per lump size.

Back